Go back

Inflation Machine 110 SBFR, 130 SBFR - Schenck Japan

  • Inflation bell without sealing ring and other wearing parts
  • Extended working radius (up to 6 wheels) with telescope design
  • Applicable with any rim configuration, also light alloy rims with edgeless, spoke design
  • No loads acting on the rims
  • Automatic sequence and mixed operation
  • Linking with production lines

Sequence of operations

  • Automatic transfer of the assembled wheel from the feeder belt into the inflation station by the double-belt conveyor
  • Automatic sequence: Lower the transporter and lay the wheel onto the inflation table
  • Center the rim and tire, lift the wheel and set onto the table.
  • Lower the inflation bell onto the tire and inflate to the required pressure
  • Lift the inflation bell
  • Automatic transfer of the inflated wheel in the direction of the balancing machine
Design

Range of application

Inflation of tubeless passenger vehicle tires in normal, low profile and super low profile design. Suitable for tires mounted onto steel or light alloy rims of various dimensions.

Application of the machine in series production.

Simple integration into existing or new lines, with a preceding tiremounting machine, and succeeding tire-bead stabilization machine and wheel balancing machine.

Design

Single-station machine with fully automatic sequence, loading and unloading of the machine by a fully automatic conveyor system.

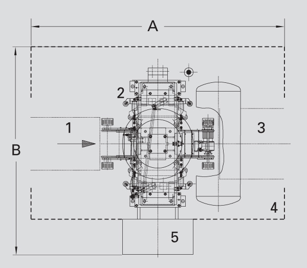
Double belt conveyor on welded stand with lifting function, inflation table with flat seals, centering device, inflation bell and hydro-pneumatic lowering and locking equipment installed.
Technical data
Technical data at a glance    110 SBFR  130 SBFR 
Fully automatic sequence of operations    •  • 
Complete wheel       
Weight, max.  [kg]  50  50 
Overall width  [mm]  120 - 350  120 - 350 
Outerside diameter, tire-  [mm]  560 - 900  560 - 900 
Diameter, standart wheel  [Zoll]  13-15 / 14-16 / 15-17  13-18 / 14-19 / 15-20 
Diameter, emergency wheel  [Zoll]  a. A.  a. A. 
Bead width  [Zoll]  3,5 - 12,0  3,5 - 12,0 
Machine       
Width A 2)  [mm]  1300  1300 
Depth B 2)  [mm]  1955  1955 
Height C 2)  [mm]  3100  3100 
Inflation tolerance 1)  [kPa]  10 - 50  10 - 50 
Cycle time, max.  [s]  09-Nov 
Production rate  [St./h]  510  450 / 325 
Air pressure 5)  [kPa]  600 - 1000  600 - 1000 
Air consumption  [m3/h]  400  300 - 400 
Power supply 3)  [V]  400  400 
Power consumption  [kVA]  10  10 
       
Basic machine  Order No.  R0600100.01  R0600400.01 
Options       
Barcode reader 4)  Order No.  R0600101.01  R0600401.01 
Sound absorbing equipment  Order No.  R0600102.01  R0600402.01 
Infeed conveyor   Order No.  R0600103.01  R0600403.01 
Intermediate conveyor  Order No.  R0600104.01  R0600404.01 
       
1) Dependent on the tire design and mounting method       
2) Data non-binding, depends on the respective equipment supplied       
3) Main configuration: 3 / PEN AC 50Hz 400 V +6 / -10%        
4) Transfer of tire and wheel data to the line       
5) Depending on the required inflation pressure